


Product display
Product display
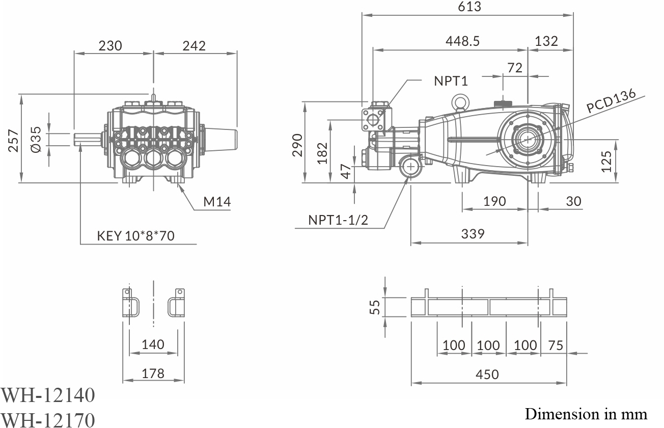
壓力:85 公斤 | 理論吸水量: 140 公升/分鐘
產品特色:
產品用途:
· ★ 一般清潔:可廣泛用於各產業清洗用途。
· ★ 交通運輸業:提供全系列泵浦,可適應不同水刀或隧道洗車需求,協助客戶清洗各型交通運輸工具。
· ★ 伐木業、木藝業:清洗表面樹皮、內部雜質等用途。
· ★ 各類機械清洗: 清洗機械表面及內部。
· ★ 食品加工業:不鏽鋼泵浦可符合食品級產業需求,作為清潔中央廚房之鍋爐廚具或均質處理之用。
· ★ 管路試壓:利用高水壓協助測試五金接頭、各類橡膠或塑膠水管工作壓力與爆破壓力。
· ★ 造霧系統:搭配馬達與時間控制系統,可用於造霧系統降低室內外溫度。
· ★ 降塵除臭:運用微霧系統,降低室內外飛塵以及空氣中的異味。
· ★ 加溼系統:裝載於機體上,為工作機台加溼工具,降低人工成本。
规格:
型號 | 吸水量 | 工作壓力 | 所需馬力 | 轉速 | |||
L/Min. | gpm | kgf/cm2 | psi | HP | KW | rpm | |
WH-12140 | 150 | 39.4 | 85 | 1200 | 30 | 22.5 | 800 |
材積: 67x53.5x37 cm | 重量:74 kg (僅單機重量) | ||||||

苏公网安备32050702012027号